QQ登录

只需一步,快速开始

查看: 176|回复: 3
收起左侧

分享一个自已用雅图做的展示盒PDQ 带参数

[复制链接]
累计签到:64 天
连续签到:6 天
 楼主| 发表于 4 天前 | 显示全部楼层 |阅读模式
本帖最后由 kenrons 于 2025-9-29 20:54 编辑

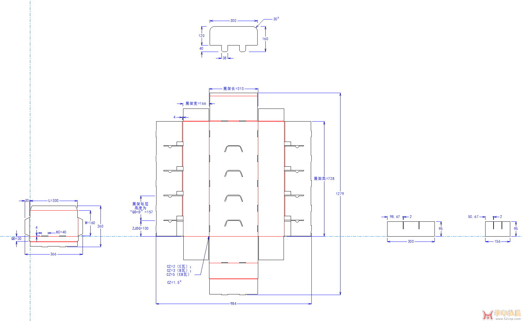
如题,雅图14做的,带详细参数,纸厚可调,且层数可调,层高都统一的,每层如果要不一样,需手工调整,会画刀模的改改很快的,注:层高为内装彩盒高+前档高+余量,为方便拆解,特意放了3D文件。


已割样试装。
更多图片 小图 大图
组图打开中,请稍候......

PDQ.zip

16.95 KB, 下载次数: 3

售价: 20 印币  [记录]

平面图

PDQ 3D.zip

34.9 KB, 下载次数: 0

售价: 20 印币  [记录]  [购买]

3D图

评分

参与人数 1印币 +2 收起 理由
xuhuiming + 2 真的很厉害

查看全部评分

华印网相关搜索

累计签到:709 天
连续签到:2 天
发表于 3 天前 | 显示全部楼层
这个PDQ 是不是可以压扁,然后一放开就弹起来的那种
回复 支持 反对 送花

使用道具 举报

累计签到:21 天
连续签到:1 天
发表于 3 天前 | 显示全部楼层
看起来不错
回复 支持 反对 送花

使用道具 举报

累计签到:64 天
连续签到:6 天
 楼主| 发表于 3 天前 | 显示全部楼层
zhipin778 发表于 2025-9-30 10:57
这个PDQ 是不是可以压扁,然后一放开就弹起来的那种

你说的那种,我只见过视频
回复 支持 反对 送花

使用道具 举报

您需要登录后才可以回帖 登录 | 注册帐号

本版积分规则

关闭

注意注意注意:必看上一条 /1 下一条

华印网 - 华印社区
Share More 周一至周日:09:00 - 21:00
华印网旗下的设计印刷制作类专业技术站点
请勿发布违反国家法律法规的内容,会员观点不代表本站立场
企鹅群号:119572101

华印网汇集印前印后技术、PDF拼版、防伪包装、数码印刷、合版印刷、图文设计、平面设计、数码印刷及CTP等最新印刷技术,提供软件汉化、插件汉化、cdr插件、ai插件、ps插件、pdf插件、印刷流程、ctp输出、印刷软件、印能捷、esko、CorelDRAW、InDesign、Illustrator、CTP、CDR以及PDF软件下载的综合性印刷论坛社区!

Powered by Discuz! X3.4 © 2001-2021,Tencent Cloud.

站点地图|Archiver|手机版|小黑屋|华印 ( 粤ICP备19020152号-1 )

GMT+8, 2025-10-3 05:08 , Processed in 0.097966 second(s), 25 queries , Gzip On, Yac On.

快速回复 返回顶部 返回列表